Tianqiong Sensor IOT Technology Co., Ltd
Sales Manager:Ms. Emily Wang
Cel,Whatsapp,Wechat:+86 15898932201
Email:info@fengtutec.com
Add:No. 155 Optoelectronic Industry Accelerator, Gaoxin District, Weifang, Shandong, China

Sales Manager:Ms. Emily Wang
Cel,Whatsapp,Wechat:+86 15898932201
Email:info@fengtutec.com
Add:No. 155 Optoelectronic Industry Accelerator, Gaoxin District, Weifang, Shandong, China

Model:WSY485
Brand:tianqiong
1.Soil Temperature, Moisture, and EC Sensor Technical Indicators
Soil Temperature, Moisture, and EC Sensor is used to estimate the amount of water stored in the soil, or how much irrigation is needed to reach the required amount of water in the soil.
1.Power supply: DC12V
2.Power consumption: less than 0.1W
3.Working temperature: -30~70℃
4.Communication interface: RS485
5.Operating current: 8mA DC12V
6.Minimum data interval: 60S
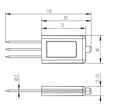
2.Soil Temperature, Moisture, and EC Sensor Product Size Diagram

3.Precautions for using Soil Temperature, Moisture, and EC Sensor
1.The sensor installation should be carried out strictly in accordance with the installation instructions.
2.When multiple sensors work at the same time, they must be spaced more than 5 meters apart.
3.The sensor measurement principle is limited.The sensor measurement site is a central radius of 5 meters.There should be no electromagnetic cables and strong magnetic radiation interference.
Avoid huge errors and damage caused by sensor measurements.
4.The installation environment of the sensor should comply with the measurement range of the sensor to avoid irregular behaviors such as exceeding the range.
5.The sensor installation should be avoided in the environment of strong acids, strong alkalis, heavy oil and polluted heavy metals.
6.The sensor is a soil measurement sensor, and it is prohibited to use this sensor for other behaviors.
7.The sensor installation environment cannot have strong vibration.
8.The sensor cannot have too strong external force.
9.Disassembly is prohibited, and disassembly will not provide any services.
10.The sensor probe is relatively sharp, so you should wear protective gear according to regulations when using it.
11.The use and maintenance of equipment should be carried out strictly in accordance with the above precautions.If there is any illegal use, the company will not bear the relevant responsibility.
4.Soil Temperature, Moisture, and EC Sensor sensor parameters
| parameter | Measurement range | Accuracy | Resolution | unit |
| Soil temperature | -30~70℃ | ±0.3 (-10~50℃) | 0.01 | ℃ |
| Soil moisture content | 0~100% | ±3% (loam) High organic matter soil (soil organic carbon content >12%) High colloid content soil (colloid content >45%) Due to its dielectric relaxation properties, calibration may be required for specific soil types. | 0.01% | --- |
| Soil conductivity | 0~20000 | ±3% (15℃, 0~10000us/cm) ±5% (full range) | 1 | us/cm |
| Soil salt content | 0~12800 | ±3% |
With the booming development of ecotourism, scenic weather stations have become common devices in major tourist attractions and ecological parks (such as artificial wetlands, ecological parks, botanical gardens, etc.). It is dedicated to the all - day automatic online collection of air cleanliness i...
The Photovoltaic Weather Station under Tianqiong enables precise, real-time, and continuous monitoring. Specifically designed for the photovoltaic industry, it accurately detects key meteorological parameters that affect photovoltaic power generation. In particular, regarding solar radiation, it can...
A Portable Weather Station is a movable on-site observation device. It has the advantages of portability, easy operation and accurate measurement, and can integrate monitoring functions for multiple meteorological elements to meet various dynamic observation needs. It can conduct all-weather and uni...
The Ultrasonic weather station utilizes ultrasonic technology to measure meteorological elements. When ultrasonic waves propagate in the air, their propagation speed is affected by air flow. When the wind blows from different directions, the propagation times of ultrasonic waves in the downwind and...